產品介紹

product

首頁 / 產品介紹 / ETF-xxxx 客製化產品 / ETF-2601 ~ ETF-2700 / ETF-2651 ~ ETF-2660

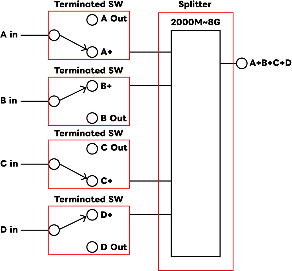
ETF-2656-8G RF Test Box

onedriver

內部架構圖